제품소개

본문 바로가기

제품소개

제품소개

PDF 도류벽

PDF Baffle Wall

PDF 도류벽이란?
고밀도 폴리에틸렌(HDPE)원료를 사용하여 제작된
PDF Panel을 벽체 및 기둥에 고정하여
시공기간을 단축하고 경제적인 도류벽 설치공법입니다.

도류벽 특징 및 효과

01
접촉시간이 길어져 정수장(배수지) 소독능(CT)을 향상시킵니다.
02
사수부가 제거되어 소독효과 상승됩니다.
03
공장에서 직접 생산된 PDF도류벽을 현장 조립하므로 작업 속도가 빠릅니다.
04
현장 조립시 동일작업이 반복되므로 공정관리가 용이하고 시공품질이 균일합니다.
05
유지관리 및 설치 해체 용이하고 재활용 가능합니다.
06
공기가 단축되고 경제적입니다.
07
HDPE는 염소에 강해 수명이 반영구적입니다.
08
별도 방수 작업이 불필요합니다.

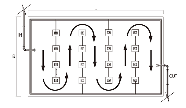
도류벽 설치 개념도

PDF 도류벽 상세도

PDF 정류벽이란?
PDF Panel에 정류공을 설치하여 하수처리장/정수장 침전지에 설치하고
침전효율을 증대시키는 공법 시공기간을 단축하고 경제적인 도류벽 설치공법

정류벽 특징 및 효과

01
공장 제작 제품으로 품질이 우수하고 공기가 단축됩니다.
02
별도 방수 작업이 불필요합니다.
03
물이나 오폐수에 부식되지 않고 품질의 변화가 없습니다.
04
자유로운 정류공의 배치가 가능합니다.
05
보수, 보강용이합니다.
06
재활용이 되는 자재로 친환경적입니다.

정류벽 설치 개념도

PDF 간벽이란?

PDF Panel를 사용하여 하수처리장 고도처리시설에 필요한
조가름 벽체를 조립식으로 만드는 공법으로 신구 콘크리트 접합 문제를 해결

간벽 특징 및 효과

01
공장 제작 제품으로 품질이 우수하고 공기가 단축됩니다.
02
별도 방수 작업이 불필요합니다.
03
하수나 오폐수에 부식되지 않고 품질의 변화가 없습니다.
04
보수, 보강용이합니다.
05
재활용이 되는 자재로 친환경적입니다.

간벽 설치 개념도

담당자