Water Supply & Sewerage

본문 바로가기

Water Supply & Sewerage

Golden Flow provides clean water that everyone can drink with confidence.

What is PE Sheet Lining?
The internal lining of water tanks uses the advantages of PE sheets such as
hygiene, economy, stability, and durability.

PE sheets are fixed inside
concrete structures
with this method, providing a semi-permanent solution
after a single installation.

Made of materials certified for food and beverage use by the US FDA
and other advanced countries, it is a hygienic product that
maintains cleanliness even after long-term use
.

PE SHEET LINING Features

PE sheet waterproofing is a BOLTLESS method that attaches the sheet to the wall using STS fasteners
(polymer-treated surface) and high-frequency welding, forming an insulated waterproof layer without penetrating it.


The adhesion between waterproof layers is performed by mechanized automatic welding, making this method ideal for both new construction and renovation projects.

01
Fastener Fixing Method

The sheet is not fully adhered to the substrate surface.
It is fixed at the top of the tank with anchors, and the sheet joints are welded using heat.


The sheet and fasteners are attached to the wall via high-frequency induction welding.
This method attaches the waterproof layer securely without lifting, regardless of substrate condition.

02
Excellent Waterproofing Performance

Perfectly prevents leaks caused by cracks due to corrosion from chlorine gas
and chemicals evaporating from tap water, or impact forces. Ensures complete waterproofing under all conditions.

03
BOLTLESS Method

Attaches without damaging the sheet surface.
High-frequency welding ensures that the waterproof layer remains intact.

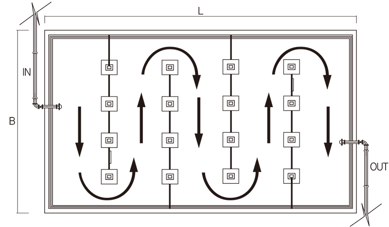
PDF Flow Wall
The PDF Panel, made from high-density polyethylene (HDPE) material,
is fixed to walls and columns, reducing construction time
and providing an economical flow wall installation method.

Flow Wall Features and Benefits

01
Longer contact time improves disinfection capacity (CT)
in water treatment plants (reservoirs)
02
Elimination of dead zones enhances disinfection efficiency
03
Factory-produced PDF flow walls can be quickly assembled on-site
04
Repetition of identical tasks on-site ensures easy process
control and uniform construction quality
05
Maintenance and installation/dismantling are easy and recyclable
06
Construction time is shortened and cost-effective
07
HDPE is resistant to chlorine, ensuring a semi-permanent lifespan
08
No additional waterproofing work is required.

Flow Wall Installation Concept